logo

details van de producten

Created with Pixso. Thuis Created with Pixso. Producten Created with Pixso.
De Apparaten van de laag Voltagebescherming
Created with Pixso.

Ruwe messing behuizing HMI touchpaneel Seesaw armature 1250W 11-12110-00

Ruwe messing behuizing HMI touchpaneel Seesaw armature 1250W 11-12110-00

Merknaam: Emerson
Modelnummer: 11-12110-00
MOQ: 1
Prijs: Onderhandelbaar
Betalingsvoorwaarden: L/C, D/A, D/P, T/T, Western Union, MoneyGram
Toeleveringsvermogen: Op voorraad
Gedetailleerde informatie
Plaats van herkomst:
Amerika
Certificering:
CE
Verpakking Details:
Nieuwe originele doos
Levering vermogen:
Op voorraad
Productbeschrijving
Gedetailleerde productbeschrijving
Merk: Emerson, ik ben... Model: 11-12110-00
Oorsprong: 11-12110-00 AC: 120/240/480/600VAC
W: 1250 W Verpakking: Verpakking
Hoogtepunten:

hmi-display touchscreen

,

industriële HMI-panelen

 

 

HMI Touch Screen Emerson GO SWITCH 11-12110-00 1250W 120/240/480/600VAC 1/2 inch.

 

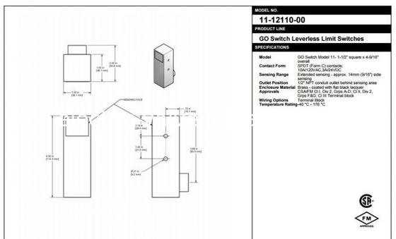
GO Switch Model 11 heeft robuuste behuizingen en wereldwijde goedkeuringen.Alle schakelaars bevatten ronde kop montage schroeven met slot wasser en moerDe originele hefboomloze limietschakelaar, de GO Switch Model 11, heeft verzegelde gouden flitsende contacten, geen aanraaksysteem en snap-action-respons in een vierkant schakelaarontwerp: 38 mm vierkant x 116 mm hoog.Zoals met alle GO-schakelaars, kan worden bedraad A/C of D/C, N/O of N/C, verbruikt geen stroom om te werken, en heeft geen stroomlekken of spanningsverlies.

Verkrijgbaar in een robuuste messing- of roestvrijstalen behuizing, de GO Switch Model 11 weerstaat fysiek misbruik, vocht en corrosieve stoffen.Het biedt SPDT 10 ampere contacten die geschikt zijn voor hoge of lage stroom, evenals standaard 10 mm zijdensensensing, uitgebreide sensing tot 14 mm, of 6 mm precisie sensing. Geschikt voor Zone 0, 1 of 2 (Div 1 & 2) explosiebestendige toepassingen,het kan temperaturen tot 176°C weerstaan, en is onderduikbaar tot 132 meter.

Het eenvoudige ontwerp, de robuuste behuizing, het lange detectiebereik, de flexibiliteit van de bedrading en de wereldwijde goedkeuringen van het Model 11 maken het een ideale keuze waar betrouwbare positiesensoren nodig zijn.

Voordelen:

  • Ruwe koperen of roestvrij staal behuizing weerstaat fysiek misbruik, vocht, explosieve en corrosieve omgevingen.
  • Slingeraarmature zorgt voor snelle actie en solide contactdruk, waardoor 'contact teasing' en 'contact chatter' bij hoge trillingen worden geëlimineerd
  • met een vermogen van meer dan 50 W; .5amp/125VDC
  • Standaardtemperatuur -40°C tot 105°C, hoge temperatuur optie tot 176°C
  • Geschikt voor explosiebestendige toepassingen in zone 0, 1 of 2 (divisie 1 en 2)
  • 's Werelds enige explosiebestendige nabijheidsschakelaar met 10 ampère.

 

 

Magnetische sensoren: Sensortype - Inductieve magneetsensor; Toepassing - Sensing van ijzerhoudend metaal; Housing-mounting-stijl - blok; Sensing-positie - zijkant; Draden - 3W; Outputmodus - SPDT;Materiaal - Behuizing - Messing, Zwarte lak; verbindingstype - geleidingsuitlaat; verbindingsgrootte - 1/2 "NPT; behuizing - klasse 1, divisie 2; werktemperatuur - -40 tot 177 graden C -40 tot 350 graden F;Aanvullende informatie - Afstandsmeting: 14 mm. Met doelmagneet: 95 mm niet inbegrepen; fabrikantenreeks - GO Switch 10 serie

 

Aanvullende informatie: Sensorafstand: 14 mm. Met doelmagneet: 95 mm (niet inbegrepen)

 

Ruwe messing behuizing HMI touchpaneel Seesaw armature 1250W 11-12110-00 0

 

Specificaties:

Type sensor: Magnetische sensor
Toepassing: Sensoren voor ijzerzwarte metalen
Housing-montage-stijl: Bloc
Sensorpositie: Zijde
Draad: 3W
Uitgangsmodus: SPDT
Materiaal - Housing: Messing, zwart lak
Verbindingstype: Draadkoppeling
Verbindingsgrootte: 1/2 inch.
Beveiligingscategorie: Klasse 1, Div. 2
Werktemperatuur: -40 tot 177 graden C (-40 tot 350 graden F)

 

 

Vergelijkbare modellen:

81-20546-A2 81-20516-A2
7E-33658-DCA 7G-13529-B3
73-1352T-A2 73-13523-A2
73-13524-A2 11-11524-A2